ElCarril UIC 60, també designat com a 60E1 segons EN 13674-1, és un perfil de ferrocarril pesat premium normalitzat per la Unió Internacional de Ferrocarrils (UIC), amb un pes nominal de 60 quilograms per metre amb un pes teòric precís de 60,21 kg/m .
especificació del ferrocarril uic60

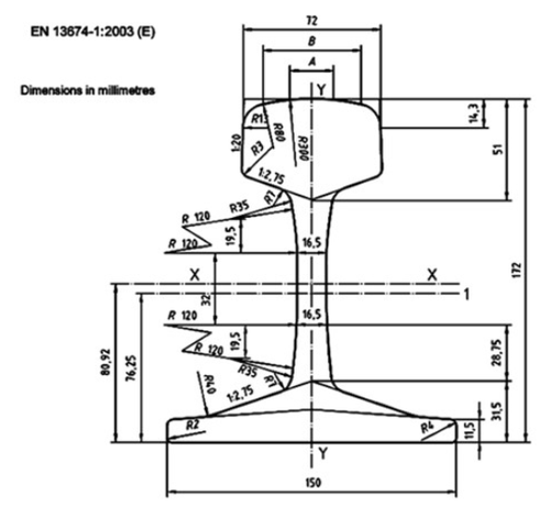
| Mida | Dimensió | Pes (kg/m) | Material | Longitud (m) | |||
| Cap (mm) | Alçada (mm) | Base | Web | ||||
| UIC60 | 72 | 172 | 150 | 16.5 | 60.21 | 900A/1100 | 12-25 |
Quina és la duresa del carril UIC 60?
La duresa d'un carril UIC 60 (60E1) oscil·la normalment entre 260 HBW i 440 HBW, depenent del grau d'acer, amb rails estàndard de 260 a 300 HBW i graus de tractament tèrmic (HT) com R350HT que arriben als 350 HBW o superiors. El rail compleix la norma EN 13674-1, dissenyat per a aplicacions d'alta-velocitat i càrrega pesada.
Material del carril uic60:


Si teniu requisits especials per a materials de llargada o de major resistència, si us plaucontacta amb nosaltresper a la producció especial personalitzada.
Com triar el material de ferrocarril 60E1 (UIC60) adequat?
La selecció del grau d'acer correcte per al vostre rail 60E1 depèn dels vostres requisits específics de càrrega i velocitat. La vostra elecció ha de complir les normes EN 13674-1 i els factors clau inclouen la duresa i la composició química adequades.
1. Determineu el grau d'acer requerit

- Per a ús general de la línia principal i de passatgers (R260):Trieu aquest acer al carboni estàndard. Ofereix una gran duresa i durabilitat, la qual cosa la fa ideal per als ferrocarrils típics d'alta-velocitat i càrrega-pesada.
- Per a transports pesats-i corbes (R350HT/R350LHT):Trieu acer de capçal-endurit (tractat-termal). Proporciona una resistència al desgast superior i una vida útil més llarga a la fatiga, que és essencial per a pistes amb gran desgast.
- Per a entorns especials (resistent a la corrosió{0}}):Trieu acers-que continguin coure o aliatges específics. Aquests són necessaris per a zones costaneres o industrials on la corrosió severa és un risc.
2. Assegurar les normes tècniques i de fabricació

- Compliment:Verifiqueu que el rail compleix la norma EN 13674-1 per garantir que es compleixen els estàndards europeus de qualitat, resistència i geometria.
- Nivells de duresa:Confirmeu que la duresa es troba dins del rang requerit. El rail estàndard sol ser de 260 a 300 HB, mentre que el ferro-tractat tèrmic pot arribar als 350 HB o més.
- Resistència a la tracció:Comproveu que la resistència a la tracció compleix les especificacions del projecte, ja que això defineix la resistència del material.
RAIL GNEEproporciona un subministrament flexible per UIC60 Rail. Admetem longituds estàndard i talls personalitzats per adaptar-se a les demandes del vostre projecte. El nostre lliurament ràpid i la documentació de qualitat completa us ajuden a executar el vostre projecte a temps.Arribeu-nosper obtenir un pressupost ràpid i un termini de lliurament avui.

