Introducció del producte
Segons l'estricta classificació dels estàndards GB, els rails lleugers de diferents especificacions de pes corresponen a escenaris d'aplicació diferenciats. Entre elles, les especificacions de llum de 8kg\/m - 15 kg\/m sovint s’utilitzen en escenaris de col·locació temporal de pistes a causa del seu pes lleuger i es poden transportar fàcilment i instal·lar -se per mà d’obra manual. Per exemple, les línies de transport temporal construïdes dins dels llocs de construcció s’utilitzen per transportar sorra, grava, materials de construcció i altres materials; En les primeres etapes de la mineria a petita escala, aquesta especificació del ferrocarril lleuger també s’utilitzarà per construir ràpidament canals de transport temporal per satisfer les necessitats de transport de l’exploració preliminar i la mineria a petita escala.
Els carrils lleugers de mida mitjana de 18kg\/m - 24 kg\/m s’han convertit en la primera opció per a les branques de mercaderies a les zones mineres, les zones forestals, etc. amb la seva capacitat de càrrega moderada i la seva resistència estructural. Prenent com a exemple una gran granja forestal de propietat estatal, la línia de la branca ferroviària que s’utilitza per transportar troncs dins d’ella es posa amb un gran nombre de 22 kg\/m de baranes lleugeres, que poden transportar de manera estable milers de tones de tasques de transport de fusta cada dia i transportar sense problemes els troncs caiguts des de les muntanyes profundes fins a la zona de la planta de processament.

El carril lleuger de 30kg\/m s’utilitza principalment en línies auxiliars de rail lleuger urbà a causa de la seva alta resistència i estabilitat. Pot transportar trens de passatgers petits i mitjans amb una càrrega de tones 15-20 per cotxe i 4-6 per tren, complint la demanda de flux de passatgers de 10, 000 a 20, 000 passatgers per hora durant les hores punta, compartint efectivament la pressió del trànsit Urban.
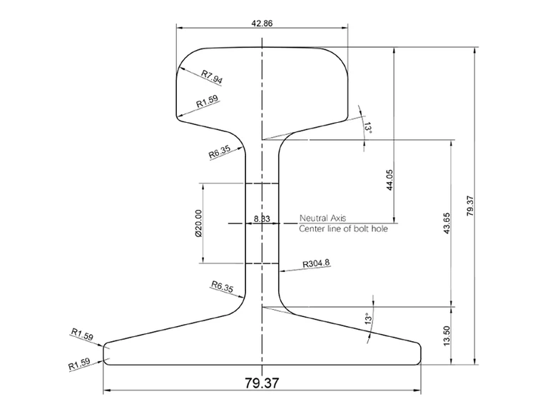
Especificacions del producte

Aplicació del producte

Com a proveïdor professional de rails lleugers GB, Gnee Rail té una capacitat de subministrament estable. Mantenim la cooperació estratègica amb moltes grans fàbriques d’acer per assegurar un subministrament estable de matèries primeres. Adoptem processos de producció normalitzats per assegurar la qualitat del producte estable i fiable. Donem suport a acords de cooperació a llarg termini i podem formular plans de subministrament exclusius segons les necessitats del client. El sistema logístic perfecte garanteix el lliurament puntual de comandes de gran volum.





Etiquetes populars: P15 Mining Light Mining Ferrocarril, Xina P15 Mining Light Mining Ferrocarril, proveïdors, fàbrica, fàbrica






