Introducció del producte
Segons els estàndards GB, la producció de ferrocarril lleuger ha de passar un sistema d’inspecció estricta de qualitat. Hi ha 15 indicadors d’inspecció, des de la inspecció de matèries primeres fins a les proves de propietat mecànica del producte acabades, la mesura de la dimensió geomètrica, la inspecció de la qualitat de la superfície, etc. Per exemple, la prova de tracció requereix que la resistència a la tracció de 8kg\/m no sigui inferior a 450mPa i les especificacions de 30kg\/m no són inferiors a 550mpa; La prova de flexió ha d’estar lliure d’esquerdes a l’angle especificat. Només es poden jutjar els rails que passen tots els articles d’inspecció com a productes qualificats, garantint que cada ferrocarril lleuger que s’utilitzi compleixi els requisits estàndard.

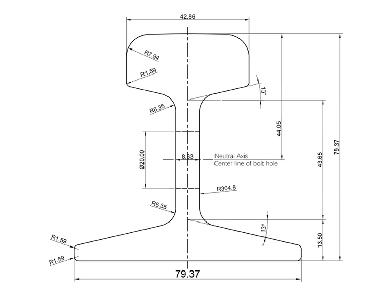
El ferrocarril de tren lleuger de 15kg GB és una especificació típica entre les pistes lleugeres, amb una forta adaptabilitat i escenaris d’aplicació flexibles.
Disseny de mida raonable:El disseny estructural de l’alçada de la pista de 79,37 mm i l’amplada inferior de 79,37 mm té en compte l’estabilitat i la lleugeresa i és adequat per a necessitats de transport de petites i mitjanes. Per exemple, a les zones mineres, a les zones forestals i altres escenaris, es poden establir rutes de transport temporal per complir el pas de camions i carros lleugers; A les fàbriques, es pot utilitzar per a diapositives de transferència de treball, pistes de carretons de fàbrica de maó, etc., i és adequat per a 1-3 tones d’escenaris portadors de càrrega.
Selecció pràctica de longitud:Les longituds estàndard de 12,5 m i 25m són fàcils de transportar i instal·lar i es poden tallar de manera flexible segons el terreny in situ per reduir els residus de material. És especialment adequat per a projectes temporals o una pista no permanent.
Especificacions del producte

Embalatge i lliurament de productes
La part inferior de la cabina es posa amb un coixí de goma de 10 mm de gruix i les parets laterals s’instal·len amb plaques de protecció de fusta. Els carrils s’apilen creuats, amb ranures de ventilació a 200 mm de distància entre cada capa. Després de la càrrega, tota la cabina està coberta de llenç impermeable i les vores es compacta amb bosses de sorra. La cabina està equipada amb un sistema de control d’humitat i les dades es registren i s’arxiven diàriament.


Gnee Rail no només proporciona productes de llum lleugera de GB de gran qualitat, sinó que també se centra a proporcionar als clients solucions de contractació completes. L’equip de vendes professional pot recomanar les especificacions del producte més adequades segons els escenaris d’ús del client. L’estricta sistema de control de qualitat garanteix que les propietats mecàniques dels productes compleixen els estàndards i la precisió dimensional es controla dins del rang estàndard nacional. Doneu suport a diversos mètodes comercials, inclosos FOB, CIF, etc. i proporcioneu documents comercials internacionals normalitzats. La xarxa de logística perfecta pot organitzar serveis de transport a ports principals de tot el món. Els recomptes habituals d’inventaris asseguren un subministrament estable per satisfer les necessitats d’adquisició d’urgència dels clients.





Etiquetes populars: Ferrocarril de tren lleuger de 15kg GB, Xina de 15kg GB Gaberant de tren lleuger, proveïdors, fàbrica






